| Autore |
Messaggio |
   
giovanni (la_rossa)
Utente registrato Username: la_rossa
Messaggio numero: 153 Registrato: 09-2014
| | Inviato il domenica 24 maggio 2015 - 21:40: |
|
Tornato a casa dal raduno, il motore sembra ok. Una volta spento il motore ho controllato il livello dell'acqua che avevo ripristinato a Piacenza e ho aggiunto un litro d'acqua, stranamente dopo 10 minuti, non ho acceso il motore, ne ho aggiunta un altro litro. Non ci sono perdite.... ho perso così tanta acqua ? Se il motore è ok.... Ora dovrò capire cosa si è bruciato dell'impianto elettrico che controllano la ventola del radiatore..... fusibili ? Rele ? O cos'altro ? I rele come si testato ? A... x chi non c'era le ventole di raffreddamento che avevo collegato insieme, hanno smesso di funzionare e l'acqua è andata in ebollizione, un manicotto è scoppiato ed ora devo verificare quali danni ci sono. |
   
Massimo Pezzali (admin)
Amministratore (BOSS) Username: admin
Messaggio numero: 10687 Registrato: 01-2000

| | Inviato il domenica 24 maggio 2015 - 21:50: |
|
I relè si testano portando un +12 per l'attivazione e controllando con un tester la chiusura dei contatti.
Mantieni viva la tua passione e la tua passione manterrà vivo te.
|
   
claudio bacilieri (claudiomanduca)
Utente registrato Username: claudiomanduca
Messaggio numero: 280 Registrato: 05-2003
| | Inviato il domenica 24 maggio 2015 - 22:04: |
|
riprendiamo da qui i discorsi iniziati al raduno e partiamo dal manifestarsi del fatto: è andata in ebollizione in marcia lenta in salita quando le due ventole avrebbero dovuto funzionare certamente perciò visto che i fusibili sono ok potrebbe essere bruciato in sequenza la termocoppia sul radiatore o relè. per testare il tutto sfila i faston dalla termocoppia e li metti in corto tra loro se non funziona nulla sono i relè se funziona è il bulbo. per il test dell'acqua mi preoccupa un pò perciò ripristina il livello corretto e metti in moto al minimo e sfiata allentando il dado da 13mm che ti ho indicato sino alla completa fuoriuscita dell'aria. e poi ripeti il test. se dimuisce ancora tieni d'occhio il livello olio o presenza di olio nella vaschetta per capire la gravità del problema |
   
Emils (emils)
Porschista attivo Username: emils
Messaggio numero: 2481 Registrato: 01-2011

| | Inviato il domenica 24 maggio 2015 - 22:09: |
|
potrebbe essere la guarnizione della testa, invece? Ridi ed il mondo ridera'conte. Piangi e piangerai da solo ...
|
   
giovanni (la_rossa)
Utente registrato Username: la_rossa
Messaggio numero: 154 Registrato: 09-2014
| | Inviato il domenica 24 maggio 2015 - 23:59: |
|
Livello olio ok... x il resto in settimana farò tutte le verifiche.... |
   
giovanni (la_rossa)
Utente registrato Username: la_rossa
Messaggio numero: 155 Registrato: 09-2014
| | Inviato il lunedì 25 maggio 2015 - 00:17: |
|
Spero non sia la guarnizione della testa |
   
mario f. 924+951 (thedoc)
Porschista attivo Username: thedoc
Messaggio numero: 1696 Registrato: 03-2008

| | Inviato il lunedì 25 maggio 2015 - 21:43: |
|
Ma io avevo capito che si trattava solo di un tubo rotto. Perché pensate alla guarnizione della testa? tessera PiMania 1311 924+951
|
   
Massimo Pezzali (admin)
Amministratore (BOSS) Username: admin
Messaggio numero: 10693 Registrato: 01-2000

| | Inviato il lunedì 25 maggio 2015 - 21:47: |
|
Sembra che il tubo rotto sia l'effetto, ma la causa??
Mantieni viva la tua passione e la tua passione manterrà vivo te.
|
   
giovanni (la_rossa)
Utente registrato Username: la_rossa
Messaggio numero: 156 Registrato: 09-2014
| | Inviato il martedì 26 maggio 2015 - 00:20: |
|
Prima cosa ripristinare funzionamento ventola..quindi verifica impianto: termocoppia, rele e altre cosette che he ha nominato l'elettrauto. Poi verificheremo lo stato della guarnizione testa. Domanda : la pompa dell'acqua ha qualche parte che si può essere danneggiata con il calore? Cmq oggi ho acceso il motore e sembrava tutto normale, partita a quattro e girava bene. Vedremo... |
   
Roberto (gnoppo)
Utente registrato Username: gnoppo
Messaggio numero: 185 Registrato: 01-2015

| | Inviato il martedì 26 maggio 2015 - 01:17: |
|
Ragazzi, ma perché così pessimisti? Partite le ventole magari per qualcosa di banale (io punterei sul circuito elettrico che è stato sollecitato al contrario del bulbo) quindi salita temperatura, e di conseguanza saltato manicotto. In fondo al rientro in A1 non mi eri dietro a velocità "sostenuta" senza problemi ? Dai Gio' che è tutto a posto! Faccio il tifo! |
   
Roberto (gnoppo)
Utente registrato Username: gnoppo
Messaggio numero: 186 Registrato: 01-2015

| | Inviato il martedì 26 maggio 2015 - 02:04: |
|
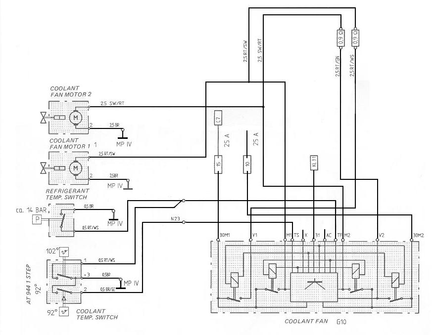
Giovanni, sono via per lavoro, è un po' tardino e forse sono confuso. Ma sai che forse abbiamo toppato l'analisi di partenza? Se la tua è una 1985.5 è giusto che ci siano i due ventilatori (non è un intervento posticcio) Allora fa fede il circuito che trovi qui: http://www.clarks-garage.com/graphics/cooling_fan_late_1.jpg Per essere certi dovresti avere una termocoppia a 3 pin non due. Prova a procedere come ha detto giustamente Claudio. Vai sulla termocoppia e facci sapere se trovi 2 o 3 pin per favore |
   
Vittorio971 (vittorio1971)
Utente esperto Username: vittorio1971
Messaggio numero: 712 Registrato: 02-2011

| | Inviato il martedì 26 maggio 2015 - 03:47: |
|
citazione da altro messaggio:Cmq oggi ho acceso il motore e sembrava tutto normale, partita a quattro e girava bene. Vedremo...
E questa è una buona notizia riguardo alla saluta della guarnizione testa. Tessera P mania nr°1819 - Porcospino Tosco-Emiliano - Tessera S.P.E.G. nr°15
|
   
claudio bacilieri (claudiomanduca)
Utente registrato Username: claudiomanduca
Messaggio numero: 282 Registrato: 05-2003
| | Inviato il martedì 26 maggio 2015 - 17:19: |
|
che il motore giri a quattro regolare, senza una nuvola di fumo è certamente una ottima notizia, come quella che la temperatura in marcia non salga a valori elevati, ma ahimè tutto questo non significa nulla di nulla, la cosa perniciosa e pericolosa da verificare è il consumo di acqua, perchè se continui a rabboccare evidentemente questa acqua da qualche parte va: non nell'olio, non nella vaschetta la sola conclusione è che entri in camera di scoppio in modestissima quantità ...quindi secondo me devi tenere d'occhio temperatura e consumo d'acqua. il tubo esploso poveretto è la conseguenza dell'alta temperatura raggiunta a causa delle ventole che non giravano quindi torniamo alla partenza: bulbo o relè! dai una occhiata a quel connettore non collegato addirittura privo di tubazione... |
   
Il Maestro (leon59)
PorscheManiaco vero !! Username: leon59
Messaggio numero: 5098 Registrato: 12-2006

| | Inviato il martedì 26 maggio 2015 - 18:00: |
|
citazione da altro messaggio:Spero non sia la guarnizione della testa
per sapere se la guarnizione della testa si è bruciata si fa prestissimo , togli il tappo della "vaschetta" del refrigerante e fai il livello massimo , metti in moto la Vettura e la tieni al minimo fino ad arrivare in temperatura sempre senza il tappo , guarda il livello , se vedi che dalla "vaschetta" comincia a venire fuori prima aria e poi vedi aumentare il livello fino a buttare fuori il liquido in continuazione , sei fottuto , hai la guarnizione bruciata o la testa crepata. Se invece il livello del liquido rimane "fermo" sei salvo. Good luck ! "Robe da matti", a gentile richiesta ritorna "Rob da matt !"
|
   
giovanni (la_rossa)
Utente registrato Username: la_rossa
Messaggio numero: 157 Registrato: 09-2014
| | Inviato il martedì 26 maggio 2015 - 18:51: |
|
Da una prima analisi... Chi ha causato il problema è il bulbo, relè ok, fusibili ok ... Bulbo ko .. Domani montiamo il bulbo e se funziona il tutto, si passa alla verifica della guarnizione della testa, fino a che non ho sostituito il manicotto, fatto lo spurgo e ripristinato il livello del liquido, non posso e non voglio pensare al peggio. Se dovesse essere la guarnizione, farò rettificare la testa e lucidare i condotti. Vedremo !!! Comunque sono ottimista per principio, tutto si risolve, nonostante l'imprevisto, al raduno c'ero e la Rossa mi ha riportato a casa. Volevo stare dietro a Roberto ma poi la saggezza ha prevalso e ho marciato alla media di 140 orari, media da codice e x una vecchietta comunque buona. |
   
Marco S. (marco_77)
Porschista attivo Username: marco_77
Messaggio numero: 1257 Registrato: 12-2013

| | Inviato il martedì 26 maggio 2015 - 23:33: |
|
citazione da altro messaggio:sei fottuto , hai la guarnizione bruciata o la testa crepata.
E diglielo con più dolcezza! Giovanni vedrai che non è niente: la rossa sta benone! Non c'è coraggio senza paura! Tessera n. 2166
|
   
Andrea (andreatnn)
Utente registrato Username: andreatnn
Messaggio numero: 316 Registrato: 03-2014

| | Inviato il giovedì 28 maggio 2015 - 11:31: |
|
Per Il Maestro, a titolo di curiosità e per cercare di capire, ho trovato in rete questo test per la verifica della testa di una moto ma credo sia analogo per una vettura. Però qui dice "se a freddo si vedon bolle la guarnizione è partita" la procedura è corretta? sapevo che doveva essere il contrario e cioè a caldo. https://www.youtube.com/watch?v=xV-7OhLi0As |
   
giovanni (la_rossa)
Utente registrato Username: la_rossa
Messaggio numero: 159 Registrato: 09-2014
| | Inviato il venerdì 29 maggio 2015 - 22:42: |
|
Oggi ho ripristinato funzionamento ventola ma ho l'impressione che attacchi troppo presto e rimanga accesa più di prima. Ho messo termocoppia che apre il contatto a 88 gradi. Qualcuno mi sa indicare quando parte la ventola, o meglio l'ago dello strumento della temperatura acqua a che punto si trova quando parte la ventola ? Appena dopo la prima tacca ? Tra la prima tacca e la seconda ? Quasi sulla seconda tacca? E poi , in questi pomeriggi caldi se qualcuno sta usando le ns 944, la ventola del radiatore è spesso accesa? |
   
claudio bacilieri (claudiomanduca)
Utente registrato Username: claudiomanduca
Messaggio numero: 283 Registrato: 05-2003
| | Inviato il sabato 30 maggio 2015 - 00:08: |
|
posso dirti che la mia (aria condizionata) parte con aria cond disinserita quando arriva vicino all'ultima tacca in alto e in circa 1 min riporta su quella centrale, marcia in città o lenta in autostrada non attacca mai...ma non so dirti la frequenza. fatto fuori il bulbo ora la prova del 9 è se devi rabboccare continuamente acqua o meno, tieni conto che se ricordo bene il circuito contiene ca 8,5 lt di acqua e devi usare un paraflu prottetivo specifico che tra l'altro aumenta il punto di ebollizione, ma farei il riempimento solo dopo avere terminato il test per escludere il problema bolle. |
   
Alessandro (aleb)
Utente registrato Username: aleb
Messaggio numero: 48 Registrato: 03-2015

| | Inviato il sabato 30 maggio 2015 - 07:19: |
|
In fila fermo, senza AC, in giornata normale (22-24 °C), le ventole attaccano attorno all'ultima tacca bianca in alto e in pochissimo tempo la riportano a metà. In marcia normale la lancetta sta tra la metà e la prima tacca in basso (se fa freschino e non sto sforzando... tipo in discesa). In marcia normale, in salita, in giornata calda, dandoci dentro, non arriva all'ultima tacca bianca, sta sempre poco sopra la metà. In bocca al lupo. Alessandro |
   
Il Maestro (leon59)
PorscheManiaco vero !! Username: leon59
Messaggio numero: 5113 Registrato: 12-2006

| | Inviato il sabato 30 maggio 2015 - 10:07: |
|
citazione da altro messaggio:Però qui dice "se a freddo si vedon bolle la guarnizione è partita"
la prova da fare è quella che ho descritto io......prima esce aria... poi il liquido refrigerante di continuo , dipende anche dalla gravità del danno , in molti casi ci si accorge del guasto quando si è già avanti , perché ci si accorge che la Vettura non "batte" piu' pari , per colpa del liquido che trafila nelle camere di scoppio andando a bagnare la candela o le candele. "Robe da matti", a gentile richiesta ritorna "Rob da matt !"
|
   
giovanni (la_rossa)
Utente registrato Username: la_rossa
Messaggio numero: 160 Registrato: 09-2014
| | Inviato il sabato 30 maggio 2015 - 14:38: |
|
Ok ... Grazie. .ho capito tutto.. Il ricambista mi ha dato un bulbo sbagliato, infatti ho letto sul bordo del pezzo il n.88 e 70 o 78..... immagino che questi n indicano i gradi ai quali si chiude e apre il contatto. Ossia a 88 si accende la ventola mentre a 70 o 78 si spegne. Col nuovo bulbo,la mia ventola si accende appena la lancetta supera la prima tacca, in pratica la lancetta non arriva nemmeno a metà tra la prima e la seconda tacca. Qualcuno sa dirmi esattamente a quanti gradi si deve accendere e spegnere la ventola del mio 944 my85 seconda serie. Per quanto riguarda l'acqua, ho fatto circa 30 km e il livello è ok, al mattino il motore parte a quattro e gira bene, credo che la guarnizione della testa è ok ma voglio fare più strada x esserne sicuro. |
   
Roberto (gnoppo)
Utente registrato Username: gnoppo
Messaggio numero: 194 Registrato: 01-2015

| | Inviato il sabato 30 maggio 2015 - 18:14: |
|
Ciao Giovanni, come ti scrivevo settimana scorsa, stando all'autorevole Clark's garage, le 944 85.5 come la tua hanno 2 ventole di raffreddamento. Il bulbo è quello a 3 contatti (quindi 2 interruttori). Il primo chiude a 92 gradi (prima ventola) ed il secondo chiude a 102 gradi (seconda ventola). La prima ventola è sotto fusibile 15 e la seconda sotto il 10. Questo sia per auto con condizionatore che senza. Ti mando il link della fonte e lo schema elettrico: http://www.clarks-garage.com/shop-manual/cool-01.htm#latefanoperation
 |
   
Roberto (gnoppo)
Utente registrato Username: gnoppo
Messaggio numero: 195 Registrato: 01-2015

| | Inviato il sabato 30 maggio 2015 - 18:41: |
|
Per completezza faccio presente che l'altrettanto autorevole Rosepassion, a fronte della selezione del modello 944 85.5 espone il bulbo a due soli contatti. Quello a tre contatti viene indicato per auto con condizionatore. A questo punto non so. Però guardando la tua macchina propendo per le indicazioni di Clark's. In fondo i due fusibili e le due ventole ci sono, quindi... |
   
giovanni (la_rossa)
Utente registrato Username: la_rossa
Messaggio numero: 162 Registrato: 09-2014
| | Inviato il giovedì 25 giugno 2015 - 23:50: |
|
Ciao.... finalmente ho ripristinato bulbo e ventole, sto usando la rossa e sembra tutto ok. Le due ventole funzionano e l'acqua del radiatore è a livello e non bisogna fare aggiunte. Questa sera ho fatto la prova del 9, ho ingaggiato una piccola disputa con golf gt e Mini ... ho tirato un po la Rossa è sono riuscito a non farmi passare su un percorso misto. Il contagiri era sempre tra 5 e 6 mila giri, una bella scaldata, qualche sfumacchiata ma nessuna incertezza. La vecchia è un mulo ! Se fuma un pochino, beh ad una trentenne si può concedere. Domani verifichero ancora il livello acqua e speriamo bene. Se portate al limite queste 944 sono davvero gustose. Mi sono divertito !! |