| Autore |
Messaggio |
   
irene (irene)
Utente registrato Username: irene
Messaggio numero: 41 Registrato: 09-2009
| | Inviato il martedì 31 agosto 2010 - 11:41: |    |
Ciao,ho comprato un liquido per pulire bene tutto il circuito di raffreddamento della macchina. Mi hanno detto di svuotare tutto il circuito e poi di mettere questo liquido insieme a dell'acqua (credo distillata) e fare girare il motore per una ventina di minuti.Poi svuotare di nuovo e far scorrere dentro dell'acqua sciacquare il tytto.Chiudere la valvola di svuotamento e riempire di nuovo con liquido antigelo. Ma dove cavolo è il bullone da togliere per svuotare facilmente il circuito ?!?!?! non la trovo...ne sopra - ne sotto - ne di lato ^!^! P.S. oggi ho ritirato i pannelli nuovi originali per il cofano e pure i gancio per il parasole che stava su con una fascetta nera...  |
   
Joy (giuma)
Utente registrato Username: giuma
Messaggio numero: 131 Registrato: 03-2008

| | Inviato il martedì 31 agosto 2010 - 13:56: |    |
Ciao Irene e.... piacere di fare la tua conoscenza; io onestamente avrei delle perplessità nell'utilizzare questo liquido; rischi che durante la pulizia le eventuali incrostazioni formatesi col tempo e che il liquido tira via possano provocare microfalle in qualche parte del circuito di raffreddamento. Se sei sicura che l'auto abbia liquido antigelo all'interno e non acqua, basta svuotare il circuito, riempirlo con acqua, far girare il motore e dunque la pompa acqua per un minuto e svuotarlo ancora in modo da pulirlo in maniera poco aggressiva. Puoi infine effettuare il riempimento definitivo con il liquido nuovo da sostituire poi ogni 2/3 anni. Ripeto è un mio parere, ma considera che ho sia auto che moto storica e così facendo non mi sono mai trovato male. Saluti P.S.: dimenticavo, per svuotare il radiatore, procedi così: svita il tappo della vaschetta di espansione in modo da far prendere aria al circuito, poi allenti la fascetta del manicotto in basso a sinistra sul radiatore (guardando la macchina di fronte); sganci il manicotto ed il gioco è fatto. Ovviamente fai tutto a motore freddo e riavvita prima di riempire!!!! (Messaggio modificato da giuma il 31 agosto 2010) Diventerà Bellissima e Farà Scena! 944 2.7 (M44.11) -- Tessera: 1360 -- |
   
Joy (giuma)
Utente registrato Username: giuma
Messaggio numero: 132 Registrato: 03-2008

| | Inviato il martedì 31 agosto 2010 - 14:13: |    |
Per essere più chiari...
 Diventerà Bellissima e Farà Scena! 944 2.7 (M44.11) -- Tessera: 1360 -- |
   
Catalin (catamax944)
Utente esperto Username: catamax944
Messaggio numero: 550 Registrato: 10-2008

| | Inviato il martedì 31 agosto 2010 - 15:45: |    |
Joy,scusa ma allora il tappo blu del spurgo in basso che l'hanno fato fa.Poi usando il tuo metodo l'acqua dentro il blocco motore comunque rimane.Io lo spurgo l'ho fatto dal tappo di spurgo a motore caldo acceso per avere il termostato aperto,basta che non lo lasci suriscaldare. |
   
irene (irene)
Utente registrato Username: irene
Messaggio numero: 43 Registrato: 09-2009
| | Inviato il mercoledì 01 settembre 2010 - 14:33: |    |
Il liquido è questo
 |
   
irene (irene)
Utente registrato Username: irene
Messaggio numero: 45 Registrato: 09-2009
| | Inviato il mercoledì 01 settembre 2010 - 18:13: |    |
Non potetecapire..........! mi si è troncata la vite (25) di spurgo dentro il radiatore !!!  |
   
Joy (giuma)
Utente registrato Username: giuma
Messaggio numero: 133 Registrato: 03-2008

| | Inviato il giovedì 02 settembre 2010 - 11:00: |    |
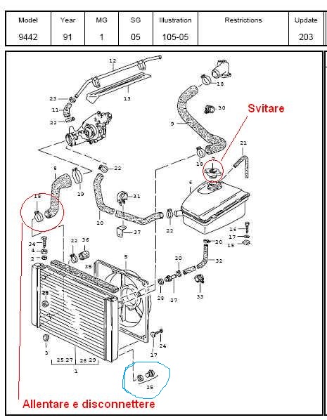
Forse allora era meglio non operare dal tappo preferendo allentare una fascetta e disconnettere il tubo..... Le estremità del radiatore sono in plastica e con il passare degli anni ed il calore è molto probabile che il tappo ceda al primo colpo su macchine anziane (vedi il mio post qui http://www.porschemania.it/discus/messages/6/398604.html?1283279970); purtroppo ci sono già passato anche io per un raccordo . Concordo con Catalin sul fatto che a liquido freddo il blocco motore rimanga pieno, ma io preferisco lavorare in sicurezza (acqua fredda) ritenendo ininfluente la quantità residua rispetto alla nuova miscela di liquido. Irene, con un po di pazienza dovresti riuscire a liberare il foro di scarico dal filetto, ma lasciati dire che a questo punto è meglio se operi a radiatore smontato sul banco. Inoltre rimetti il tappo originale (che se non ricordo male è in plastica) con la nuova guarnizione. Tienici informati! (Messaggio modificato da giuma il 02 settembre 2010) Diventerà Bellissima e Farà Scena! 944 2.7 (M44.11) -- Tessera: 1360 -- |
   
irene (irene)
Utente registrato Username: irene
Messaggio numero: 46 Registrato: 09-2009
| | Inviato il giovedì 02 settembre 2010 - 19:26: |    |
Ciao,oggi ho soltanto ordinato il tappo originale e ho ritirato il nuovo filtro dell'aria. Oggi relax...!!  |
   
Joy (giuma)
Utente registrato Username: giuma
Messaggio numero: 134 Registrato: 03-2008

| | Inviato il giovedì 02 settembre 2010 - 21:25: |    |
citazione da altro messaggio:Oggi relax...!!
Bene, Irene, quando ci vuole.... ci vuole; schiarisci le idee e domenica (non sabato) avanti con gli altri lavori. Io domenica la dedicherò alla installazione degli altoparlanti posteriori, ovviamente non prima di essermi fumato 20€ di benzina sulle alture locali . Aggiornaci!!! Diventerà Bellissima e Farà Scena! 944 2.7 (M44.11) -- Tessera: 1360 -- |
   
irene (irene)
Utente registrato Username: irene
Messaggio numero: 48 Registrato: 09-2009
| | Inviato il domenica 05 settembre 2010 - 19:37: |    |
Oggi ho provato a rimettere il vecchio liquido di raffreddamento per vedere se potevo finalmente farci un giro ( domani avrei la revisione).Invece gocciolava leggermente da sotto e allora ,catinelle alla mano 2 mi sono sdraiata e con tanta pazienza e terrore sono riuscita a togliere la filettatura del bullone che era rimasta avvitata. eccola. Poi ho cambiato il filtro dell'aria.
Aspetto con ansia il nuovo tappo dello spurgo per fare finalmente quel lavoro e riempirla per l'ultima volta (o quasi ) Ciao a tutti !! \ |
   
irene (irene)
Utente registrato Username: irene
Messaggio numero: 49 Registrato: 09-2009
| | Inviato il mercoledì 08 settembre 2010 - 17:22: |    |
(ho deciso di cambiare il liquido di raffreddamento . Metterò quello rosso che mi pare di aver capito vhe sia il più adatto e che abbia meno bisogno di manutenzione. |
   
maurizio (mapo55)
Utente esperto Username: mapo55
Messaggio numero: 586 Registrato: 10-2007

| | Inviato il giovedì 09 settembre 2010 - 23:58: |    |
citazione da altro messaggio:ho deciso di cambiare il liquido di raffreddamento
buona idea, Irene, e visto che ci sei cambia anche la valvola pneumatica di afflusso al radiatore del riscaldamento dell'abitacolo (è quella tra il filtro olio ed il serbatoio olio dell'idroguida). Costa quattro soldi, è di plastica, sarà ormai cotta dal calore e se ti si rompe .... ciao. Maurizio |
   
irene (irene)
Utente registrato Username: irene
Messaggio numero: 50 Registrato: 09-2009
| | Inviato il venerdì 10 settembre 2010 - 12:07: |    |
Grazie,il pezzo è questo ? 944-106-129-05- M2 |
   
irene (irene)
Utente registrato Username: irene
Messaggio numero: 51 Registrato: 09-2009
| | Inviato il venerdì 10 settembre 2010 - 14:04: |    |
no...mi sa che è questo : 928-574-573-03- M53 ma io ho una 951...sicuramente è da un'altra parte quel pezzo.. |
   
maurizio (mapo55)
Utente esperto Username: mapo55
Messaggio numero: 589 Registrato: 10-2007

| | Inviato il lunedì 13 settembre 2010 - 21:46: |    |
si, è proprio questo: 928-574-573-03-M53 ma a questo punto ho il dubbio che la 951 lo monti. Ciao. Maurizio |