| Autore |
Messaggio |
   
Arturo (bimmer68)
Porschista attivo Username: bimmer68
Messaggio numero: 1010 Registrato: 07-2006

| | Inviato il lunedì 08 dicembre 2008 - 23:44: |
|
Qualcuno mi da delucidazioni sulle funzioni di questo tubo segnalato dalla freccia rossa?
Ho scattato delle foto prima dei lavori sulla mia S2 e mi sono accorto che il mio era tranciato e a mo di moncone aperto nel punto dove c'è il segno azzurro, è grave? Ho dimenticato di chiederlo al meccanico. Tessera -1299- Esistono altri mondi, ma si trovano in questo, quindi, cerca di ottenere ciò che ami, per non essere costretto ad amare ciò che ottieni!
|
   
Arturo (bimmer68)
Porschista attivo Username: bimmer68
Messaggio numero: 1013 Registrato: 07-2006

| | Inviato il martedì 09 dicembre 2008 - 10:55: |
|
Nessuno lo sa? No non ci credo. Tessera -1299- Esistono altri mondi, ma si trovano in questo, quindi, cerca di ottenere ciò che ami, per non essere costretto ad amare ciò che ottieni!
|
   
Simone C. (herbie)
Moderatore Username: herbie
Messaggio numero: 2253 Registrato: 04-2002

| | Inviato il martedì 09 dicembre 2008 - 11:12: |
|
Non conosco bene la Tua auto. Dalla foto, sembra che guardando dove il tubo entra nel collettore, 3-4 cm più a sx c'è un barilotto, magari si deve innestare lì, puoi dare un'occhiata? In cerca...
|
   
Gabriele (spike)
Utente registrato Username: spike
Messaggio numero: 499 Registrato: 10-2006

| | Inviato il martedì 09 dicembre 2008 - 13:06: |
|
dovrebbe essere il tubo che va alla valvola del regolatore del minimo perchè, li ti da noia?????? A FOCO!
|
   
Riccardo V. (fidia)
Moderatore Username: fidia
Messaggio numero: 3798 Registrato: 11-2006

| | Inviato il martedì 09 dicembre 2008 - 13:48: |
|
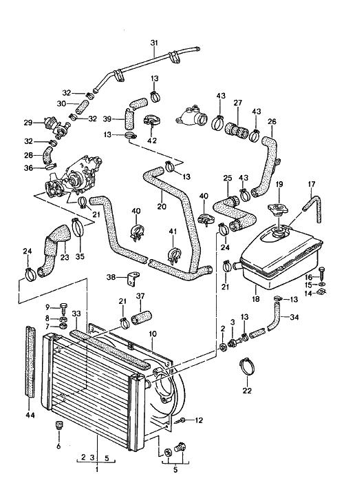
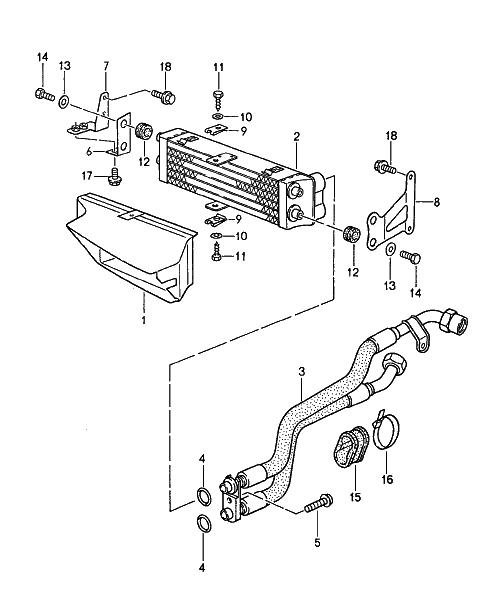
Se possono essere utili ecco gli esplosi della L-jetronic, dell'impianto di lubrificazione del motore, di raffreddamento olio, acqua e la testata:
 Tessera N° 1031
|
   
mario f. (thedoc)
Utente esperto Username: thedoc
Messaggio numero: 651 Registrato: 03-2008

| | Inviato il martedì 09 dicembre 2008 - 23:16: |
|
la mia 951 non ha qul tubo. E non so cosa sia. tessera PiMania 1311
|
   
Arturo (bimmer68)
Porschista attivo Username: bimmer68
Messaggio numero: 1014 Registrato: 07-2006

| | Inviato il martedì 09 dicembre 2008 - 23:20: |
|
citazione da altro messaggio:la mia 951 non ha qul tubo. E non so cosa sia.
Infatti la Turbo non lo ha! Tessera -1299- Esistono altri mondi, ma si trovano in questo, quindi, cerca di ottenere ciò che ami, per non essere costretto ad amare ciò che ottieni!
|
   
mario f. (thedoc)
Utente esperto Username: thedoc
Messaggio numero: 653 Registrato: 03-2008

| | Inviato il martedì 09 dicembre 2008 - 23:26: |
|
speravo di poterti aiutare...! Anche per esclusione... tessera PiMania 1311
|
   
Fabio C. (joker944ts)
Utente registrato Username: joker944ts
Messaggio numero: 239 Registrato: 09-2008

| | Inviato il mercoledì 10 dicembre 2008 - 10:15: |
|
citazione da altro messaggio:dovrebbe essere il tubo che va alla valvola del regolatore del minimo
Credo anch'io... ma non ne sono certo Tessera n° 1387
|
   
Francesco R (bebbo)
Utente registrato Username: bebbo
Messaggio numero: 110 Registrato: 03-2008
| | Inviato il mercoledì 10 dicembre 2008 - 16:35: |
|
ma una s2 non ce l'ha fidia? trinity! |
   
Riccardo V. (fidia)
Moderatore Username: fidia
Messaggio numero: 3815 Registrato: 11-2006

| | Inviato il giovedì 11 dicembre 2008 - 16:23: |
|
Certo Francesco... ma, onestamente, non conosco la funzione precisa del tubo in questione. Dopo gli esplosi della S2 postati sopra inserisco anche questa foto con il particolare in questione preso direttamente dal vano motore di Trinity:
Spero possa fornire qualche ulteriore dettaglio. Tessera N° 1031
|
   
Gabriele (spike)
Utente esperto Username: spike
Messaggio numero: 504 Registrato: 10-2006

| | Inviato il sabato 13 dicembre 2008 - 13:15: |
|
c'è anche sulla turbo, ma è sotto il collettore di aspirazione A FOCO!
|
   
Arturo (bimmer68)
Porschista attivo Username: bimmer68
Messaggio numero: 1216 Registrato: 07-2006

| | Inviato il lunedì 16 febbraio 2009 - 23:48: |
|
Tornando al tubo in questione, Riccardo ma il tuo dov'è innestato? Nella parte sotto il collettore (freccia azzurra) non vi è nessun punto dove innestarlo, il mecca l'ha tappato (alla freccia rossa) e l'auto va benissimo ma non vorrei che a lungo andare possa dare noie aiuto.
 Tessera -1299- Esistono altri mondi, ma si trovano in questo, quindi, cerca di ottenere ciò che ami, per non essere costretto ad amare ciò che ottieni!
|
   
Catalin (catamax944)
Utente registrato Username: catamax944
Messaggio numero: 178 Registrato: 10-2008

| | Inviato il martedì 17 febbraio 2009 - 08:51: |
|
Io credo che è il tubo di sfiato ma se non è cosi allora è il tubo che va alla valvola del regolatore del minimo.Uno delle due,ma in ogni caso NON devi essere tappato.
 |
   
Don gusti (agors)
Utente registrato Username: agors
Messaggio numero: 305 Registrato: 05-2006

| | Inviato il martedì 17 febbraio 2009 - 12:20: |
|
dovrebbe essere il tubo che rimmette in circolo i vapori di olio; lo dovrebbero avere tutte le 944 anche se ovviamente sull's2, per la posizione della farfalla, è così in bella vista; ti sconsiglio di staccarlo dato che non rimmettendo in circolo i vapori di olio potresti andar a scompensare (anche se in modo non particolarmente vistoso) la lubrificazione (tipo miscela). Studia con dubbio, agisci con fede. MMR, Ing. mecc e veicolo modena.
|
   
Catalin (catamax944)
Utente registrato Username: catamax944
Messaggio numero: 179 Registrato: 10-2008

| | Inviato il martedì 17 febbraio 2009 - 13:05: |
|
"Il tubo che rimmette in circolo i vapori di olio" aka tubo di sfiato e per eliminare la sovrapressione che si puo creare nel blocco motore è non ha nulla a che fare con la lubrificazione o miscela però come ho detto pure prima NON deve essere tappato.Si può però scollegare,tappare il buco sulla farfalla e e mettere un piccolo filtro speciale sul tubo ed e pure benefico cosi,non fare entrare i vapori di olio nel ammissione. (Messaggio modificato da catamax944 il 17 febbraio 2009) |
   
Catalin (catamax944)
Utente registrato Username: catamax944
Messaggio numero: 180 Registrato: 10-2008

| | Inviato il martedì 17 febbraio 2009 - 13:30: |
|
il sistema e descritto qui http://en.wikipedia.org/wiki/PCV_valve Una sistema migliore a quella originale o a quell filtro che ho detto prima è implementare un oil catch tank nel sistema originale http://www.optionimports.com/groilcacan9m.html |
   
Don gusti (agors)
Utente registrato Username: agors
Messaggio numero: 306 Registrato: 05-2006

| | Inviato il martedì 17 febbraio 2009 - 16:49: |
|
ma secondo te "i vapori d'olio nell'ammissione" come hai scritto tu, cosa fanno esattamente?!? Studia con dubbio, agisci con fede. MMR, Ing. mecc e veicolo modena.
|
   
Catalin (catamax944)
Utente registrato Username: catamax944
Messaggio numero: 181 Registrato: 10-2008

| | Inviato il martedì 17 febbraio 2009 - 17:16: |
|
Non capisco cosa vuoi dire... L'aria che viene succhiata dalla ammissione non e pura,contiene anche particelle di olio però il olio non deve arrivare nell ammissione. Prima del tubo di sfiato ce anche un filtro speciale(valvola PCV) che trattiene il olio però questo non funziona mai al 100%,è impossibile,per questo ho detto che è benefico mettere un "oil catch tank",quello trattiene il resto del olio è lascia passare solo la aria pulita. ps:l'aria non e veramente aria,sono gas tossici......pulita per il motore. (Messaggio modificato da catamax944 il 17 febbraio 2009) (Messaggio modificato da catamax944 il 17 febbraio 2009) |
   
Don gusti (agors)
Utente registrato Username: agors
Messaggio numero: 307 Registrato: 05-2006

| | Inviato il martedì 17 febbraio 2009 - 22:20: |
|
guarda che non c'è nessuna valvola (almeno sulle 944S te lo posso garantire) e i vapori d'olio vanno apposta nell'ammissione; Studia con dubbio, agisci con fede. MMR, Ing. mecc e veicolo modena.
|
   
Catalin (catamax944)
Utente registrato Username: catamax944
Messaggio numero: 182 Registrato: 10-2008

| | Inviato il mercoledì 18 febbraio 2009 - 00:11: |
|
La "valvola" lo ha absolutamente tutte le macchine in produzione,è obbligatorie.Certamente che questa valvola differa da una macchina all'altra è io penso che è piu un filtro che una valvola però questo non importa.
Ti suggerisco di leggere quell wiki per capire il funzionamento di questa sistema. |
   
Don gusti (agors)
Utente registrato Username: agors
Messaggio numero: 308 Registrato: 05-2006

| | Inviato il mercoledì 18 febbraio 2009 - 10:46: |
|
più che un filtro è semplicemente un "polmone" per i vapori di olio; non c'è nessun filtro /valvola /ostacolo di alcun genere al passaggio dei vapori da quel contenitore (pgv come lo chiami tu) al tubo che li ri-immette in aspirazione; forse in quello per 944 non si capisce bene, ma se guardi quello della 944s è chiarissimo come non vi siano ostacoli al flusso in ingresso all'aspirazione. te lo dico perchè mi si era rotto un pèezzettino proprio di quel "circuito" e mi sono trovato a doverlo smontare; qui di seguito la foto della sfiato della mia 944s
dal pet il pezzo è identificato come "oil separator" e non c'è la presenza di nessuna valvola per nessuno dei nostri motori: +++ attachment +++ 439382 +++ oil separator +++ (Messaggio modificato da agors il 18 febbraio 2009) Studia con dubbio, agisci con fede. MMR, Ing. mecc e veicolo modena.
|