| Autore |
Messaggio |
   
giorgio tagliabue (giotaglia)
Nuovo utente (in prova) Username: giotaglia
Messaggio numero: 10 Registrato: 04-2008
| | Inviato il lunedì 22 settembre 2008 - 11:42: |
|
Ciao a tutti,volevo chiedere se uno di voi ha per caso un'esploso del manuale dove sono segnati i pezzi del condizionatore del mio 944T? Mi mancano alcune cose ma non ci capisco più niente. Oppure sarei anche disposto a buttare via tutto se esiste uno specializzato che mi monti tutto. Grazie giorgio AMO LE DONNE...
|
   
mario f. (thedoc)
Utente registrato Username: thedoc
Messaggio numero: 320 Registrato: 03-2008

| | Inviato il lunedì 22 settembre 2008 - 17:25: |
|
quello che ho trovato è questo: http://www.9ss1.dk/porsche944/garage/dele203/813-10.html può tornare utile ? In ogni caso sappi che il compressore è abbastanza 'difficile e rognoso' da revisionare. Spesso viene cambiato. tessera PiMania 1311
|
   
giorgio tagliabue (giotaglia)
Nuovo utente (in prova) Username: giotaglia
Messaggio numero: 11 Registrato: 04-2008
| | Inviato il lunedì 22 settembre 2008 - 17:42: |
|
grazie 1000 almeno capisco cosa mi manca! Diwaiss in germania mi ha mandato il kit incompleto e adesso che il mio "tramite" è scappato con i miei soldi, sono un po in difficoltà. Vediamo se riesco a ricostruire tutto. In caso contrario abbandono provvisoriamente la cosa e cerco un officina che mi possa fare il lavoro dal principio. Non posso stare senza aria, è una questione seria. Un ricambista dove poter comprare i pezzi che mi mancano,compreso il compressore ecc? Grazie Mario... AMO LE DONNE...
|
   
Riccardo V. (fidia)
Moderatore Username: fidia
Messaggio numero: 3167 Registrato: 11-2006

| | Inviato il lunedì 22 settembre 2008 - 17:48: |
|
Ecco qualche estratto dal PET:
 Tessera N° 1031
|
   
mario f. (thedoc)
Utente registrato Username: thedoc
Messaggio numero: 322 Registrato: 03-2008

| | Inviato il lunedì 22 settembre 2008 - 18:14: |
|
citazione da altro messaggio:Un ricambista dove poter comprare i pezzi che mi mancano,compreso il compressore ecc?
top ricambi, cupspirit su internet. Ma può anche andare bene un concessionario, se hai il numero preciso del codice. Sappi però che alcuni pezzi, soprattutto dell'impianto di condizionamento, sono ordinabili 'in toto' e non smontati. Informati del prezzo. A volte non c'è grande differenza tra internet e concessionario. tessera PiMania 1311
|
   
giorgio tagliabue (giotaglia)
Nuovo utente (in prova) Username: giotaglia
Messaggio numero: 12 Registrato: 04-2008
| | Inviato il martedì 23 settembre 2008 - 08:53: |
|
grazie 1000 adesso provo a mandare una email e vediamo se c'è un o che parla italiano...intanto provo a chiedere in porsche a Como. Mi sa che sarà dura. Qualche d'uno di voi a avuto a che fare con questa ditta? Vi siete trovati bene? Con la lingua? grazie giorgio AMO LE DONNE...
|
   
giorgio (mr. GT) (giotaglia)
Nuovo utente (in prova) Username: giotaglia
Messaggio numero: 13 Registrato: 04-2008
| | Inviato il martedì 23 settembre 2008 - 09:01: |
|
Che velocità...mi hanno risposto subito, purtroppo non hanno kit in catalogo per poter montare il condizionatore...Help...!!! AMO LE DONNE...
|
   
mario f. (thedoc)
Utente registrato Username: thedoc
Messaggio numero: 326 Registrato: 03-2008

| | Inviato il martedì 23 settembre 2008 - 10:51: |
|
per giorgio: non ho capito una cosa. Il condizionatore è da riparare o da montare ex novo su una 944 che non l'aveva ? tessera PiMania 1311
|
   
giorgio (mr. GT) (giotaglia)
Nuovo utente (in prova) Username: giotaglia
Messaggio numero: 14 Registrato: 04-2008
| | Inviato il martedì 23 settembre 2008 - 13:35: |
|
caro mario, volevo montarlo ex novo. Ho dei pezzi che ho preso alla diwaiss in germania tramite un ex amico che mi fregato i soldi,ma mi manca il compressore e altro. Lui mi dava tutta l'assistenza come tramite ma è sparito. Ora ho quasi tutto ma non so più cosa fare. Per questo cercavo un posto o un contatto dove poter fare tutto il lavoro. Ho appena scritto anche alla mittel motor m non hanno condizionatori per il 944. Ma è inpossibile che in italia non esiste una officina che mi possa fare il lavoro... AMO LE DONNE...
|
   
Corrado (kitt)
Utente registrato Username: kitt
Messaggio numero: 229 Registrato: 10-2007

| | Inviato il martedì 23 settembre 2008 - 13:46: |
|
Giorgio tienimi informato, io solo a pensare alla complessità (ed il costo) dell'operazione ho deciso di lasciare perdere, anche perchè alla faccia dell'Italia al caldo io sto battendo già i denti in casa in Piemonte francamente tutto questo caldo quest'anno non l'ho proprio sentito e non ho mai sentito la mancanza del condizionatore, anzi come dicevo in un altro thread quest'estate non sono riuscito a tenere il tetto smontato per più di due giorni di seguito, rischiando acquazzoni improvvisi e avendo addirittura freddo la sera tardi. Io ricordo di aver visto spesso inserzioni in cui si vendeva il singolo compressore (usato) per 944. Chissà quanto deve venire cara quest'operazione. |
   
giorgio (mr. GT) (giotaglia)
Nuovo utente (in prova) Username: giotaglia
Messaggio numero: 15 Registrato: 04-2008
| | Inviato il martedì 23 settembre 2008 - 13:51: |
|
idem anche a Como...oggi con la piggia si gela! Caro Kitt ho una serie di cose che non vorrei buttare,però soffro maledettamente il caldo e non vorrei trovarmi in primavera a dover stare male. Il costo non mi spaventa poi tanto, vorrei solo trovare chi mi faccia il lavoro. Ti tengo informato se trovo aiuti in giro. Il mio elettrauto non sa aiutarmi, le ho prtato le due casse e ha messo le mani tra i pochi capelli. Vorrei provare in porsche ma mi sa che si mettono a ridere AMO LE DONNE...
|
   
Silvius McQueen (xyl911)
Moderatore Username: xyl911
Messaggio numero: 6969 Registrato: 09-2004

| | Inviato il martedì 23 settembre 2008 - 14:15: |
|
Scusa... Ma perchè non ti fai una bella ricerca su internet e poi fai un po di telefonate per sapere cosa ti dicono? Ad esempio: http://www.articaclima.it/
"... è dagli anni '80 che sei fuori come un paraurti!!!
|
   
giorgio (mr. GT) (giotaglia)
Nuovo utente (in prova) Username: giotaglia
Messaggio numero: 16 Registrato: 04-2008
| | Inviato il martedì 23 settembre 2008 - 14:22: |
|
guarda...sono 2 gg che stò girando in rete, ancora un pò mi licenziano,all'estero ci rinuncio, adesso sto guardando nella mia zona, poi alle 3 chiamo in porsche. Grazie, se hai altri indirizzi sono bene accetti...Oggi dovrei sapere anche se posso immatricolare l'auto in italia, se no devo prendere una targa ticinese... AMO LE DONNE...
|
   
Silvius McQueen (xyl911)
Moderatore Username: xyl911
Messaggio numero: 6970 Registrato: 09-2004

| | Inviato il martedì 23 settembre 2008 - 14:34: |
|
Giorgio... Non vorrei sembrarti "fuori luogo", ma perchè non provi a chiamare al telefono gli installatori in provincia di Milano/Como? Se anche guardi solo su Pagine Gialle c'è ne sono molti... E poi mi è sfuggita una cosa (o forse non ho letto tutto con attenzione)... Ma se il clima era così importante per te, perchè l'hai acquistata senza?

"... è dagli anni '80 che sei fuori come un paraurti!!!
|
   
giorgio (mr. GT) (giotaglia)
Nuovo utente (in prova) Username: giotaglia
Messaggio numero: 17 Registrato: 04-2008
| | Inviato il martedì 23 settembre 2008 - 15:05: |
|
bella domanda...praticamente è stata quasi regalata. L'ho comprata ma a un prezzo simbolico. Purtroppo il clima non era installato. 72000 km,perfetta,in expo in una concessionaria da 20 anni. Sto solo tribulando per le targhe ma ormai ci sono,non vedo l'ora...quando vi farò vedere le foto o ve la mostro mi direte voi. Io sono entusiasta... AMO LE DONNE...
|
   
Silvius McQueen (xyl911)
Moderatore Username: xyl911
Messaggio numero: 6972 Registrato: 09-2004

| | Inviato il martedì 23 settembre 2008 - 15:14: |
|
Bhè allora... Se è stata una grande occasione, hai fatto bene a non fartela sfuggire. Per il clima non credo che sarà un discorso semplice...
ps. Hai posta!
"... è dagli anni '80 che sei fuori come un paraurti!!!
|
   
mario f. (thedoc)
Utente registrato Username: thedoc
Messaggio numero: 328 Registrato: 03-2008

| | Inviato il martedì 23 settembre 2008 - 17:32: |
|
citazione da altro messaggio:Ma è inpossibile che in italia non esiste una officina che mi possa fare il lavoro...
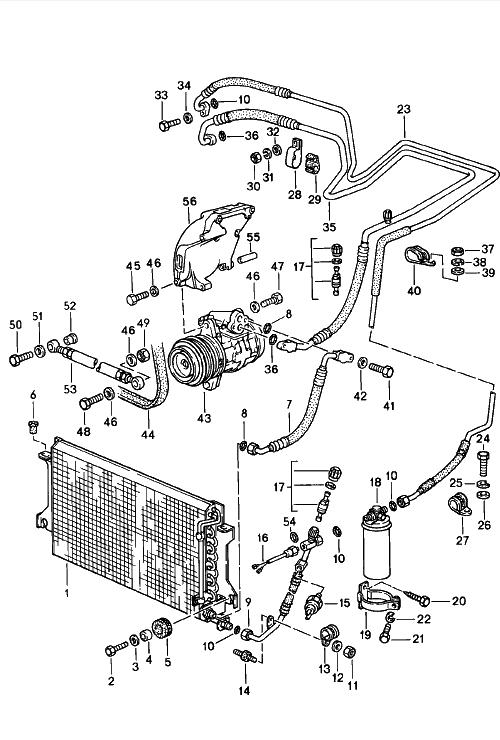
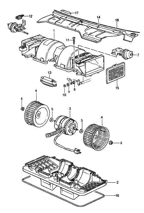
credo che non sia un problema trovare un'officina in grado di farlo, costi a parte. Ti ho mandato una mail a infochiocciolatiemmeecc. e se tiene allegati di una certa dimensione ti posso inviare anche un catalogo d'officina completo della 944, con l'esploso dei singoli pezzi. Fammi sapere. tessera PiMania 1311
|
   
mario f. (thedoc)
Utente registrato Username: thedoc
Messaggio numero: 329 Registrato: 03-2008

| | Inviato il martedì 23 settembre 2008 - 17:33: |
|
p.s.: foto, foto....della nuova 944 in PiMania. tessera PiMania 1311
|
   
Antonino S. (automotomaniatony)
Utente registrato Username: automotomaniatony
Messaggio numero: 110 Registrato: 02-2007
| | Inviato il martedì 23 settembre 2008 - 20:53: |
|
Se ti dovesse servire,io ho un compressore revisionato con frizione nuova,ev.mi puoi telefonare al 3291064000,ciao Antonino S. |
   
giorgio (mr. GT) (giotaglia)
Nuovo utente (in prova) Username: giotaglia
Messaggio numero: 18 Registrato: 04-2008
| | Inviato il mercoledì 24 settembre 2008 - 08:30: |
|
grazie Mario ricevuto tutto, ma vorrei evitare le cose personali in dovrebbe tenere fino a 5 giga di memoria, al limite lo zippi! Prova pure qui. Poi ti dico. Oggi faccio un po di telefonate, le foto le metto in questi giorni, oggi o domani la ritiro, si era bloccata la ventola del riscaldamento AMO LE DONNE...
|
   
giorgio (mr. GT) (giotaglia)
Nuovo utente (in prova) Username: giotaglia
Messaggio numero: 19 Registrato: 04-2008
| | Inviato il mercoledì 24 settembre 2008 - 16:02: |
|
allora...per tutti gli interessati,ho trovato un vecchio installatore di como che ha sempre montato i frigor sulle porsche. Ora è in pensione ma puo farmi il lavoro. ho appumtamento a metà ottobre x i dettagli tecnici. speriamo...tengo aggiornato il forum. AMO LE DONNE...
|
   
Paolo (iamback)
Utente registrato Username: iamback
Messaggio numero: 172 Registrato: 05-2008

| | Inviato il giovedì 25 settembre 2008 - 19:18: |
|
che prezzo ti fa? iamback --> tessera n° 1342 --> VENDO LA MIA 944, SE INTERESSATI FATE UN FISCHIO...
|