| Autore |
Messaggio |
   
andrea (jamesporsche)
Utente registrato Username: jamesporsche
Messaggio numero: 140 Registrato: 11-2007

| | Inviato il venerdì 23 maggio 2008 - 20:29: |    |
Salve a tutti ragazzi purtroppo vi devo raccontare la mia avventura su questo famigerato sito...MITTEL.MOTOR persone a dir poco SGRADEVOLI per di piu' MI HANNO TRUFFATO 60 EURO per un tubo dell'acqua ERRATO...appeno l'ho ricevuto ho subito inviato una mail, SENZA ALCUNA RISPOSTA,ho provato a chiamare e INDOVINATE....PARLANO SOLO TEDESCO MA CHE STRANO...SCRIVONO MAIL IN INGLESE E NON LO PARLANO...!!!! CMQ MORALE DELLA FAVOLA MI HANNO RUBATO I SOLDI PER UN PEZZO MAI ORDINATO E AUTO RICOVERATA IN GARAGE DA 2 SETTIMANE...IO COME CHIUNQUE ALTRO CONSIGLEREI VIVAMENTE DI STARE ALLA LARGA DA QUEL SITO...CMQ HO SPRTO UNA DENUNCIA ALLA POLIZIA POSTALE E PRENDERANNO PROVVEDIMENTI...IO SONO STATO PIU' CHE PAZZIENTE MA ORA BASTA....SPERO CHE SERVA A QUALCUNO QUESTA MIA ESPERIENZA... CIAO A TUTTI |
   
Carlo (carloaf)
Porschista attivo Username: carloaf
Messaggio numero: 2763 Registrato: 12-2003

| | Inviato il venerdì 23 maggio 2008 - 21:30: |    |
citazione da altro messaggio:ALLA POLIZIA POSTALE E PRENDERANNO PROVVEDIMENTI
ne dubito! mi spiace per l'accaduto! |
   
Corrado (kitt)
Utente registrato Username: kitt
Messaggio numero: 145 Registrato: 10-2007

| | Inviato il venerdì 23 maggio 2008 - 21:54: |    |
Andrea mi dispiace per i 60 euro. La Polizia postale non serve, credo solo l'Interpol potrebbe avere giurisdizione, ma sai per che non credo si occupino di queste cose. Io piuttosto insisterei scrivendo e cercherei di farmi tradurre in tedesco le lettere che mandi, dicendo che hai intenzione di rivolgerti ad un avvocato. Purtroppo per piccole cifre è sempre un problema farsi valere le ragioni, ma credo si possa risolvere. Fagli presente che frequenti questo forum e che la brutta pubblicità che si sta facendo taglia loro le gambe da parte di un buon numero di Porschisti che magari comprerebbero da loro. (Magari, se e quando ti rimborseranno....) Aggiungo se hai pagato con carta di credito fai un chargeback contestando la cifra che hai pagato al numero verde. Se hai fatto un bonifico non puoi far molto. (Messaggio modificato da kitt il 23 maggio 2008) (Messaggio modificato da kitt il 23 maggio 2008) |
   
andrea (jamesporsche)
Utente registrato Username: jamesporsche
Messaggio numero: 142 Registrato: 11-2007

| | Inviato il venerdì 23 maggio 2008 - 22:06: |    |
grazie per le vs. risposte io nel mio piccolo ho fatto quello che dovevo fare...la polizia postale mi ha detto che indaghera' sulla loro societa' e controllera' le loro spedizioni verso l'italia...praticamente mi hanno detto che loro posso solo eseguire una segnalazione per questa ditta praticamente in parole povere la polizia italiana controllera' piu' le spedizioni della ditta....per quanto riguarda questo chargeback come si puo ottenere corrado? io ho pagato con una carta di credito (poste pay)...cmq tutto questo lo sapete perche', succede PERCHE' LA PORSCHE NON PRODUCE PIU' UN TUBO DI GOMMA SEMPLICISSIMO...PERO' SE CHIEDI UN MOTORE SEMI COMPLETO 3 SETTIMANE E LO HAI A CASA CON TANTO DI FIOCCO...ora l'ho acquistato di nuovo in america da DC AUTOMOTIVE speriamo che arrivi il piu' presto!!! cmq ragazzi se continuo cosi' a non produrre piu' pezzi per le ns.amate bimbe bisognera' farseli da soli....!!! |
   
Corrado (kitt)
Utente registrato Username: kitt
Messaggio numero: 146 Registrato: 10-2007

| | Inviato il venerdì 23 maggio 2008 - 22:12: |    |
Si credo bisognerà ingegnarsi. Non puoi fare il chargeback perchè la Postepay non funziona come una carta di credito, che viene addebitata il mese successivo, ma usi il credito ricaricabile purtroppo. Io non demorderei a chiedere di rimandare il pezzo indietro se te lo hanno sbagliato dagli il nostro link e spiega loro che magari non è una bella pubblicità farsi negare. |
   
Arturo (bimmer68)
Utente esperto Username: bimmer68
Messaggio numero: 567 Registrato: 07-2006

| | Inviato il sabato 24 maggio 2008 - 18:11: |    |
Io ho acquistato la pompa acqua 20 giorni fa ed è giunta subito e senza problemi, inoltre sono stati molto gentili, io seguirei il consiglio di Corrado non demordere e fagli presente della cattiva pubblicità su porschemania! Auguri Tessera -1299- Esistono altri mondi, ma si trovano in questo, quindi, cerca di ottenere ciò che ami, per non essere costretto ad amare ciò che ottieni! |
   
andrea (jamesporsche)
Utente registrato Username: jamesporsche
Messaggio numero: 143 Registrato: 11-2007

| | Inviato il sabato 24 maggio 2008 - 20:45: |    |
gli ho mandato la mail con il link di questa discussione....ma nacora nulla... |
   
Gianfranco C. (giacorbe)
Utente esperto Username: giacorbe
Messaggio numero: 567 Registrato: 12-2005

| | Inviato il sabato 24 maggio 2008 - 21:33: |    |
Mi spiace per quello che ti e' accaduto. Io non ho mai avuto problemi con Mittelmotor. Ti consiglierei di telefonare chiedendo di Patrik Pirronello, che essendo italiano se puo' certamente ti aiutera' a risolvere (parlando in italiano). Guardare ma non toccare. Tessera PiMania 732. |
   
Luis (vollblut)
Nuovo utente (in prova) Username: vollblut
Messaggio numero: 21 Registrato: 02-2006

| | Inviato il martedì 27 maggio 2008 - 10:10: |    |
Ciao Andrea, Ma non ti hanno chiesto un fax per autorizzare l'uso del tuo conto? Generalmente non fanno vendite senza la tua autorizzazione. |
   
andrea (jamesporsche)
Utente registrato Username: jamesporsche
Messaggio numero: 145 Registrato: 11-2007

| | Inviato il martedì 27 maggio 2008 - 12:45: |    |
ciao no non mi hanno chiesto nulla...cmq gli ho mandato ancora mail su mail...e nessuna risposta...mah non ho parole....si perdono per 60 euro e perdono un cliente... |
   
andrea (jamesporsche)
Utente registrato Username: jamesporsche
Messaggio numero: 146 Registrato: 11-2007

| | Inviato il martedì 27 maggio 2008 - 12:48: |    |
ho ricomprato questo maledetto tubo in america da DC AUTOMOTIVE non so se lo conosce qualcuno...ho pagato mi ha mandato una mail di conferma del pagamento...e da li' il buio totale...nessun codice di spedizione non rispondono alle mail anke loro...IO NON HO PIU' PAROLE VERAMENTE HO L'AUTO BLOCCATA PER UN PEZZO DI PLASTICA CHE LA PORSCHE NON PRODUCE PIU' ... |
   
Luis (vollblut)
Nuovo utente (in prova) Username: vollblut
Messaggio numero: 22 Registrato: 02-2006

| | Inviato il martedì 27 maggio 2008 - 19:04: |    |
Senti, con DC Automotive non avrai nessun problema. Stai tranquillo che se risolve presto! Avranno usato la posta normale. Soltanto ti danno numeri di spedizione se fanno servire DHL, UPS, ecc. ma questo sarebbe peggio perche poi questi sgraziati ti tolgono ancora più soldi per "servizzi di dogana." Comunque, ci puoi dire la riferenza di questo tubo? |
   
andrea (jamesporsche)
Utente registrato Username: jamesporsche
Messaggio numero: 147 Registrato: 11-2007

| | Inviato il martedì 27 maggio 2008 - 22:07: |    |
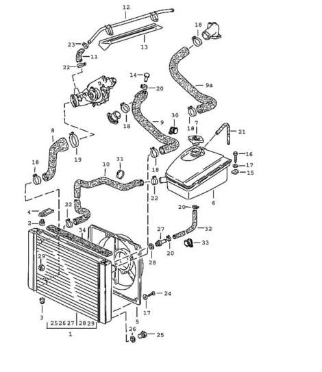
allora il tubo che serviva a me e' questo nell'immagine e' il numero (9) invece il tubo di quei disgraziati di mittel motor e' il numero (9-a) che a me ovviamente non serve.... |
   
Guido B. (guido944)
Moderatore Username: guido944
Messaggio numero: 860 Registrato: 09-2005
| | Inviato il mercoledì 28 maggio 2008 - 21:27: |    |
in caso disperato si puo' riparare il vecchio tubo se non e' frantumato "VIVO" QUANDO GUIDO LE MIE PORSCHE |
   
Paolo B. (ilpollo)
Utente registrato Username: ilpollo
Messaggio numero: 150 Registrato: 01-2004

| | Inviato il martedì 03 giugno 2008 - 01:52: |    |
citazione da altro messaggio:IO NON HO PIU' PAROLE VERAMENTE HO L'AUTO BLOCCATA PER UN PEZZO DI PLASTICA CHE LA PORSCHE NON PRODUCE PIU
Mah... }strano, a me presso il centro Porsche, alla mia domanda se si producevano ancora ricambi per auto di 20 anni, mi han detto che solo una volta hanno avuto un problema con un ricambio, poi successivamente risolto, ma si trattava di un auto del '71 ! Saluti Il mondo è diviso in due categorie: quelli che hanno una Porsche... e gli altri! |
   
andrea (jamesporsche)
Utente registrato Username: jamesporsche
Messaggio numero: 158 Registrato: 11-2007

| | Inviato il martedì 03 giugno 2008 - 10:56: |    |
io non ho detto che non producono piu' nulla...ma questo ricambio non e' piu' disponibile...e poi ogni volta bisogna aspettare settimane per ricevere un pezzo... |
   
bob simon (bob91180)
Utente registrato Username: bob91180
Messaggio numero: 86 Registrato: 11-2007
| | Inviato il martedì 03 giugno 2008 - 11:20: |    |
Non e' che ... per caso i due manicotti 9 e 9a sono intercambiabili fra loro ? Se hanno lo stesso diametro forse ... Saluti |
   
c911 (c911)
Porschista attivo Username: c911
Messaggio numero: 3324 Registrato: 06-2007

| | Inviato il martedì 03 giugno 2008 - 12:16: |    |
Mi spiace Andrea...hai fatto benissimo a metterci in guardia!! 911...non ci sono paragoni!!! |
   
andrea (jamesporsche)
Utente registrato Username: jamesporsche
Messaggio numero: 159 Registrato: 11-2007

| | Inviato il martedì 03 giugno 2008 - 17:22: |    |
di nulla....praticamente la differenza tra i due manicotti sta nel finale se guardate bene i 2 manicotti vanno a finire su (attacchi) diversi...praticamente il mio attacco va in (su) invece quell'altro va in giu'...praticamente se volevo montare quel tubo che mi hanno inviato dovevo cambiare quell'attacco...cmq il tubo l'ho ordinato in america molto tempo fa'...e ancora e' fermo in dogana in ITALIA come al solito italia di ca....cca.... |
   
Beppe S. (toivonen)
Porschista attivo Username: toivonen
Messaggio numero: 3455 Registrato: 01-2004

| | Inviato il martedì 03 giugno 2008 - 18:06: |    |
Perchè, se invece dall'Italia spedisci in USA la dogana non c'è? E' un'invenzione italiana? A forza di farsi spedire il mondo in pacchi da un metro cubo con scritto "gift 5$ value" è ovvio che qualcuno inizia a sospettare... Xmas trees, 'cause they require so many balls... - R.I.S. Approved - R.I.S. Powered - |
   
andrea (jamesporsche)
Utente registrato Username: jamesporsche
Messaggio numero: 160 Registrato: 11-2007

| | Inviato il giovedì 05 giugno 2008 - 00:05: |    |
vediamo quanti ANNI ci mettono a valutare un CAVOLO DI TUBO DI GOMMA.....oggi e' il 13esimo giorno fermo in dogana (NON SO DOVE).... |
   
andrea (jamesporsche)
Utente registrato Username: jamesporsche
Messaggio numero: 161 Registrato: 11-2007

| | Inviato il venerdì 06 giugno 2008 - 11:02: |    |
ED ECCOCI QUI.......QUESTA MATTINA MI E' ARRIVATO IL NUOVO TUBO DALL'AMERICA...VI VOLETE FARE UNA RISATA...??? NON SO CHE CAVOLO MI HANNO MANDATO.... .....IL TUBO NON COMBACIA ASSOLUTAMENTE CON QUELLO CHE HO...IO VERAMENTE NON HO PIU' PAROLE....A QUESTO PUNTO FACCIO A PEZZI LA MACCHINA....TANTO NON SO COME FACCIO PIU' A RIPARARLA.... |
   
Duri (harrico59)
Utente esperto Username: harrico59
Messaggio numero: 831 Registrato: 11-2005

| | Inviato il venerdì 06 giugno 2008 - 11:43: |    |
Andrea.. mi sorge un piccolo dubbio... senza offesa... io compro pezzi da 3 anni da Mittelmotor, Autoatlanta, Pelincanparts, FVD per diversi modelli e non mi hanno mai sbagliato un pezzo...... Non è che per inesperienza sbagli l'ordine?... Leggo che hai una 944S... e non capisco dove hai preso l'immagine sopra postata... sul sito di Mittelmotor è completamente diversa
e il pezzo non è disponibile. Il numero (5) indica la fascetta e costa 2 euri Se sei incerto........ tieni aperto!!!!! "Tedesca - motore posteriore a sbalzo raffreddato ad aria" - Tessera n. 1115 - Aspirante Giandujotto |
   
Duri (harrico59)
Utente esperto Username: harrico59
Messaggio numero: 832 Registrato: 11-2005

| | Inviato il venerdì 06 giugno 2008 - 11:52: |    |
Prova a veder questi che riportano il corretto codice Porsche 944 106 239 01 (il pezzo incriminato e che hai ricevuto termina per 02) Link Link Se sei incerto........ tieni aperto!!!!! "Tedesca - motore posteriore a sbalzo raffreddato ad aria" - Tessera n. 1115 - Aspirante Giandujotto |
   
andrea (jamesporsche)
Utente registrato Username: jamesporsche
Messaggio numero: 162 Registrato: 11-2007

| | Inviato il venerdì 06 giugno 2008 - 13:36: |    |
NO...NO....HO UNA 944 NORMALE NON S...prima aveva una 944s...cmq il pezzo e' sempre il numero (9) no (9a)....a questo punto mi sono arreso vado ad ordinare in porsche l'adattatore per montare i 2 tubi che mi hanno mandato sbagliati cmq io da DCAUTOMOTIVE RIVOGLIO I SOLDI....SONO DISPOSTO AD ARRIVARE IN AMERICA....SONO NERO DALLA RABBIA... |
   
andrea (jamesporsche)
Utente registrato Username: jamesporsche
Messaggio numero: 163 Registrato: 11-2007

| | Inviato il venerdì 06 giugno 2008 - 13:37: |    |
HAI RAGIONE DURI IL PEZZO FINISCE PER 02 NON PER 01....NON CAPISCO PERCHE SBAGLIANO E CONTINUANO A SBAGLIARE.....!!!!!! |
   
andrea (jamesporsche)
Utente registrato Username: jamesporsche
Messaggio numero: 164 Registrato: 11-2007

| | Inviato il venerdì 06 giugno 2008 - 13:47: |    |
QUESTO E' IL LINK:http://dcauto.gotdns.com/illustration/index/463580364 DELLA DCAUTOMOTIVE E C'E' SCRITTO SULLA PAGINA:944.106.239.01 ALLA RIGA NUMERO (9) QUINDI L'ERRORE E' IL LORO!! |
   
MARCO R. (nene)
Utente registrato Username: nene
Messaggio numero: 68 Registrato: 04-2003

| | Inviato il venerdì 06 giugno 2008 - 14:31: |    |
Ciao Andrea, mi dispiace per i tuoi guai. Io posso confermarti che acquisto regolarmente da Mittelmotor da 5-6 anni e non ho mai avuto nessun problema. |
   
ANDREA LUDO (ludo924)
Utente esperto Username: ludo924
Messaggio numero: 812 Registrato: 10-2007

| | Inviato il venerdì 06 giugno 2008 - 14:57: |    |
Ciao Andrea mi dispiace per le tue disavventure...immagino che sei incassato nero.... Porsche auto di grande libidine! |
   
andrea (jamesporsche)
Utente registrato Username: jamesporsche
Messaggio numero: 165 Registrato: 11-2007

| | Inviato il venerdì 06 giugno 2008 - 19:22: |    |
grazie ragazzi....si e' vero sono nero come il carbone...sono appena ritornato dalla porsche ho ordinato l'adattore che sostituisce quel tubo e automaticamente posso montare quello normale senza valvola di spurgo sopra ma ben si propio sull'attacco.... |
   
Antonino S. (automotomaniatony)
Utente registrato Username: automotomaniatony
Messaggio numero: 88 Registrato: 02-2007
| | Inviato il lunedì 16 giugno 2008 - 23:27: |    |
Caro Andrea anche io ho avuto qualche disavventura con fornitori esteri Stoddard,hooked on cars e un altro canadese di cui mi sfugge il nome,ho pagato con VISA ed anche con Paypal, e con mia sorpresa, anche se dopo mesi, mi hanno rimborsato sia per i pezzi sbagliati sia per quelli mai arrivati a destinazione,ovviamente ho aperto la contestazione alla Visa e dopo il loro intervento hanno provveduto al rimborso che prima mi negavano,perciò per ev. acquisti solo Visa o Paypal ,niente bonifico, Saluti Antonino S. |
   
andrea (jamesporsche)
Utente registrato Username: jamesporsche
Messaggio numero: 168 Registrato: 11-2007

| | Inviato il martedì 17 giugno 2008 - 09:22: |    |
io vorrei fare un rimborso ma non so da dove cominciare....cmq al DCAUTOMOTIVE e' svanito nel nulla....mah.......!!!!!!!non ho parole.......datemi un'illuminazione |