| Autore |
Messaggio |
   
Diavolorosso (novello)
Utente registrato Username: novello
Messaggio numero: 67 Registrato: 07-2004

| | Inviato il martedì 09 agosto 2005 - 02:10: |    |
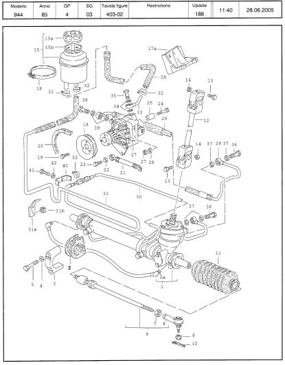
Ciao Ragazzi, sono molto in difficoltà con l'installazione del'idroguida sulla mia Porsche 944 del 1985. Per farla breve sto cercando di montare l'idroguida su una macchina che inizialmente non era predisposta, prendendo l'intero impianto da una rottamata. Questa non aveva più il motore e sorpresa, mancava la staffa che sostiene la pompa dell'olio dell'idro. Ok. Chiamo in porsche e mi rifilano questo pezzo: COSOLLE PER POMPA AD ALETTE pezzo 17a:
ma guardacaso non va bene perchè quello che mi serve in realtà è questa staffa:
E alla porsche non sanno che dire. Poi io vado su internet, i manuali non bastano, non sono affatto chiari, dalla disperazione. E infatti dopo mesi la trovo. Eccola!
Model: 944/2 Category: Engine Block Item: #1105731939 right gear carrier this holds the front of the balance shaft as well as the power steering pump,we also have used,give us a call Price $1070.82 Shipping Weight: lbs. ea. We can normally ship out this item within 1 business day(s).} Credo che l'ardua sentenza sia: LASCIA PERDERE!! Voi che pensate? Avete per caso un motore con idro smontato in giro per casa e potete buttarci un occhio, magari cercando di capire se il pezzo è questo, e come è collegato? Li' cè un carter di plastica!!!! GRAZIE. FEDE. |
   
Stefano (modelengine)
Utente registrato Username: modelengine
Messaggio numero: 335 Registrato: 11-2003

| | Inviato il martedì 09 agosto 2005 - 08:47: |    |
Be la speranza è l'ultima a morire, almeno così si dice. Tieni d'occhio con pazienza qui: http://search.ebay.com/porsche-944-power-steering_Parts-Accessories_W0QQsofocusZ bsQQsbrftogZ1QQfromZR10QQsacatZ6028QQcatrefZC6QQmppfqyZporscheQ20944Q20powerQ20s teeringQQsargnZ-1QQsaslcZ2QQsadisZ200QQfposZQ5AIPQ2FPostalQQftrtZ1QQftrvZ1QQfsop Z1QQfsooZ1QQcoactionZcompareQQcopagenumZ1QQcoentrypageZsearch Ciao I modellini sono belli, ma il vero lo è ancor di più. Tessera n° 518 Visita il mio sito web!
|
   
El diablo rojo (novello)
Utente registrato Username: novello
Messaggio numero: 70 Registrato: 07-2004

| | Inviato il martedì 23 agosto 2005 - 23:53: |    |
Grazie... l'ho trovato a 300 euro usato, ma terrò un occhio.. se capita l'occasione lo prendo al volo. CIAO Il proprietario della macchina di cui alla tua sinistra non è un fesso. Ascoltami a me... |
   
Marco C. (newatercooled)
Utente registrato Username: newatercooled
Messaggio numero: 99 Registrato: 05-2005

| | Inviato il giovedì 27 luglio 2006 - 12:42: |    |
Ciao Potrebbe essere lei? http://cgi.ebay.it/PORSCHE-944-POWER-STEERING-PUMP-BRACKET-NEW_W0QQitemZ29001116 9502QQihZ019QQcategoryZ10408QQrdZ1QQcmdZViewItem Marco Porsche 951 51 India Red Tessera PMania n. 628 |
   
Silvius (xyl911)
Moderatore (GURU) Username: xyl911
Messaggio numero: 3549 Registrato: 09-2004

| | Inviato il giovedì 27 luglio 2006 - 22:23: |    |
Ciao Diavolo Rosso!!! Visto che sei di Torino, la persona giusta che potrebbe darti le informazioni giuste la trovi citata in questo 3D: http://www.porschemania.it/discus/messages/6/163722.html?1142805107 E... complimenti per l'Avatar!!!
 The "Big Wizard" of Patacca© - Giandujotto© ad honorem Porsche 944 S2 Driver - Tessera PiMania n. 2990cc |
   
alessio del re (focacciaro)
Utente registrato Username: focacciaro
Messaggio numero: 120 Registrato: 11-2002

| | Inviato il domenica 30 luglio 2006 - 21:46: |    |
non voglio farmi pubblicità,ma sto smontando il motore da 1 rottamata che ha l'idro,x metterlo sulla mia che non ce l'ha,e non mi interessa spostarla..quindi contattami! nonholamailCHIOCCIOLAlibero.it chiaramente se ne riparlerà a settembre.. ciao se non ci fosse la panda bisognerebbe inventarla... ma io 1 mondo senza panda ce lo vedo, senza porsche e senza donne no.. |
   
Silvius (xyl911)
Moderatore (GURU) Username: xyl911
Messaggio numero: 3567 Registrato: 09-2004

| | Inviato il domenica 30 luglio 2006 - 22:24: |    |
citazione da altro messaggio:non voglio farmi pubblicità
Basta che non metti in link del tuo negozio su e-bay!!!
 The "Big Wizard" of Patacca© - Giandujotto© ad honorem Porsche 944 S2 Driver - Tessera PiMania n. 2990cc |
   
alessio del re (focacciaro)
Utente registrato Username: focacciaro
Messaggio numero: 122 Registrato: 11-2002

| | Inviato il lunedì 31 luglio 2006 - 19:49: |    |
infatti ho fatto il bravo.. e la pubblicità me la hai fatta tu!  se non ci fosse la panda bisognerebbe inventarla... ma io 1 mondo senza panda ce lo vedo, senza porsche e senza donne no.. |